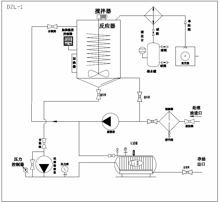
真空滤油机的结构图

真空滤油机的工作原理:

真空滤油机又称真空高效滤油机,滤油机,真空净油机。是一款用途广泛除杂除水有效的设备。国内电厂、电站、电力公司、冶金、石化、机械、交通、铁路等行业主要过滤设备。真空净油机是根据水和油的沸点不同原理而设计的,它由真空加热罐精滤器、冷凝器、初滤器、水箱、真空泵、排油泵以及电气柜组成的。真空泵将真空罐内的空气抽出形成真空,在大气压强的作用下,经过有入口管道进入初滤器,清除较大的颗粒,然后进入加热罐内,经过加热等40~75℃的油通过自动油漂阀。经过加热后的油液通过喷翼飞快旋转将油分离成半雾状,油中的水份急速蒸发成水蒸气并连续被真空泵吸入冷凝器内。进入冷凝器的水蒸气经冷却后再返原成水放出,在真空加热罐内的油液,被排油泵排入精滤器通过滤油纸或滤芯将微粒杂质过滤出来,从而完成真空滤油机迅速除去油中杂质、水份、气体的全过程,使洁净的油从出油处排出机外。

真空滤油机的结构图:

真空滤油机结构复杂,需要几十个步骤才能得到干净的油品。

http://www.only0739.com/

优米app下载视频过滤设备种真空滤油机包括双级真空滤油机和单级真空滤油机。可过滤变压器油、液压油等润滑油。随着工业技术的提升真空滤油机对水和杂质得过滤越来越高,可达98%以上。

 

 

 

6

免责申明:以上展示内容来源于合作媒体、企业机构、网友提供或网络收集整理,版权争议与本站无关,文章涉及见解与观点不代表优米app下载视频滤油机网官方立场,请读者仅做参考。本文欢迎转载,转载请说明出处。若您认为本文侵犯了您的版权信息,或您发现该内容有任何涉及有违公德、触犯法律等违法信息,请您立即联系我们及时修正或删除。

相关新闻

联系我们

13452372176

可微信在线咨询

工作时间:周一至周五,9:30-18:30,节假日休息

QR code
Baidu
app优米